產品分類
Product Category相關文章
Related Articles詳細介紹
| 品牌 | UNI-T/優利德 | 產地類別 | 國產 |
|---|---|---|---|
| 類型 | 數字示波器 | 應用領域 | 能源,電子/電池,汽車及零部件,電氣 |
| 通道數 | 4 | 帶寬 | 8GHz |
| ADC分辨率 | 12bit | ERES | 16bit |
| 最高采樣率 | 20GSa/s | 最高存儲深度 | 2Gpts |
| 最高波形捕獲率 | 1,000,000 wfms/s | 內置信號源 | 60MHz,2CH (opt.) |
卓絕非凡的性能,精準于毫厘之間的洞察力
MSO8000HD系列MSO8804HD高分辨率示波器集成多款優利德自主研發低噪聲信號調理芯片極大提升示波器性能和指標,為您提供富有洞察力的測量。
- 底噪:50mV/div,滿帶寬底噪低至800μV(典型值)
- ENOB:>7bit(系統全帶寬(50Ω,50mV/div,-3dBFS))
- SFDR:≥50dBc(典型值)
- 低固有抖動:≤150fs RMS
- 帶寬精密BNC端口:>10GHz

高分辨率捕捉細微信號,精準測量
X型刀鋒硬朗造型設計和科技藍搭配,比同類產品更緊湊、更便攜、更有質感搭載12bit ADC,最大20GSa/s采樣率在高動態范圍的信號測試中更容易區分小信號細節
- 垂直分辨率是8bit示波器的16倍
- ERES模式下增強分辨率至16bit
- 始終在全帶寬/滿采樣率下保持12bit垂直分辨率,無任何折中

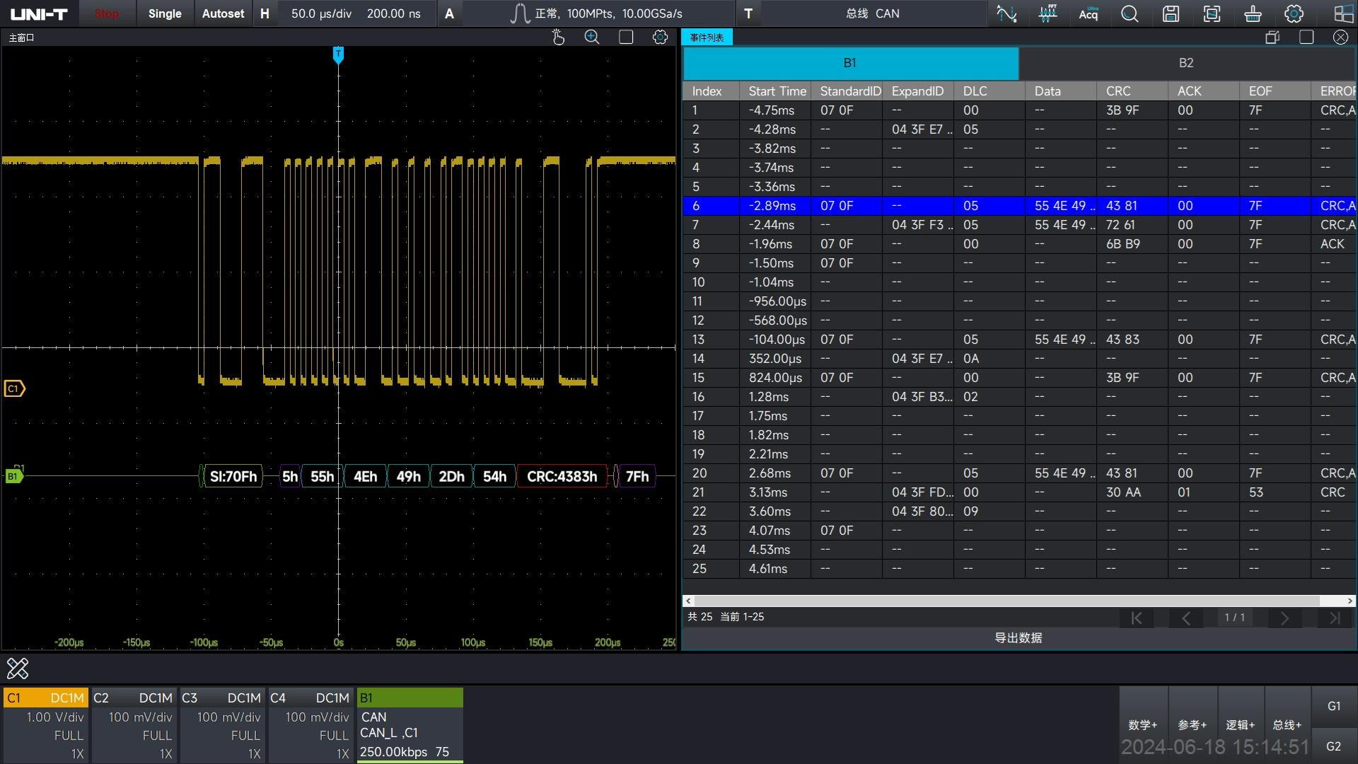
串行協議分析21+
-嵌入式:RS-232/422/485/UART、SPI、I2C、SMBUS、SPMI、AudioBus(I2S,LJ,RJ,TDM)
-汽 車:CAN、CAN-FD、SENT、FlexRay、LIN、 I3C、PSI5
-計算機&通信: USB2.0、PCle2.0、Ethernet、NRZ、
Manchester、8b/10b
-航空航天:MIL-STD-1553、ARINC429
支持包參數觸發、協議包視圖、事件列表、協議搜索 、協議分析報告






電源評估方案-電源完整性分析14+
- 輸入分析:電源質量、諧波分析、浪涌電流
- 輸出分析:紋波分析、調制分析、效率、啟動/關閉時間
- 開關分析:開關損耗、安全工作區、di/dt、dv/dt、RDS(on)
- 頻率響應分析:控制環路響應(Bode)、電源抑制比(PSRR)
若您想了解更多,請查閱《高級電源分析》手冊






抖動分析和眼圖
抖動分析視圖:眼圖、趨勢圖、直方圖、頻譜圖、浴盆曲線
抖動測量:TIE、Cycle-Cycle抖動、周期抖動、 TJ、RJ、
DJ、DDJ、DCD、ISI
支持高速串行協議信號完整性分析:
- USB2.0
- 10/100/1000M工業以太網
- 10/100/1000M車載以太網
- MIPI D-PHY


PAM-N分析
PAM-N(脈沖幅度調制)信號因為其擁有更高的信號傳輸速率被廣泛應用于以太網、光通信以及新一代數字接口中。隨著幅度調制等級的增多,PAM-N信號極易受到信號噪聲以及串擾的影響,MSO8000HD系列MSO8804HD高分辨率示波器憑借其12bit ADC和全帶寬下超7位的ENOB,足以將具有多個閾值電平的PAM-N信號恢復時鐘,并進行實時眼圖測量。
支持的PAM調制信號類型:PAM-3、PAM-4、PAM-5、PAM-6、PAM-7


Matlab嵌入式編程
利用Matlab強大的數學庫,您可以自定義編寫數學算法,
MSO8000HD可以直接運行Matlab代碼,并將結果直接顯示在示波器界面中。
同時也提供了增強型FFT、基本運算和幾十種高級公式組合編輯,
其強大的數學分析功能,滿足您更多分析需求!

高級濾波設計器
提供精準實時的數字濾波和噪聲抑制工具
快速優化信號質量并改善系統性能!
- 支持的濾波器類型: 巴特沃斯、切比雪夫 I 型、切比雪夫 II 型、
橢圓、采樣法、列梅茲、 窗函數
- 支持的濾波響應類型: 高通、低通、帶通、帶阻

一致性分析
一致性分析是確保不同廠家生產的同一類接口的互操作性的途徑,但不同接口的一致性測試規范則是由不同協會或機構開發。解讀標準并通過人工進行一致性測試需要花費用戶幾個小時甚至幾天時間,優利德一致性分析軟件則將這個時間縮短至幾分鐘內。
通過不斷更新和契合最新的行業標準,優利德推出以示波器+有源探頭+測試夾具為主的高速協議一致性分析解決方案。
MSO8000HD支持的接口協議:
-10/100/1000Base-T
-USB2.0
-MIPI D-PHY v1.0
-PCle Gen2
-10/100/1000Base-T1





產品咨詢
微信掃一掃